Panasonic 松下电器 China

控制机器

检索已停产的产品


颜色检测光纤传感器 FZ-C200

尺寸图

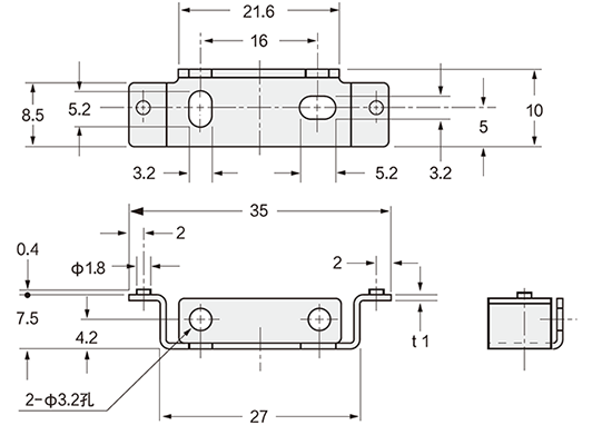
  • 单位mm

FZ-C201/FZ-C204

MS-DIN-2

材质:SPCC(光泽镀锌)

FD-35G

FD-32G

FD-45G

FD-41W

FD-66

FD-61

FD-60

FD-L51

FD-L52

FD-L53

FD-L54

返回页首

电话问询
400-920-9200【手机OK】 受理时间 9:15 - 17:15(11:30-13:00、本公司休息日除外)

返回页首

电话咨询
控制机器产品技术支持

400-920-9200

【手机OK】

受理时间 9:00 - 17:00
(11:30-13:00、本公司休息日除外)