Panasonic 松下电器 China

控制机器

检索已停产的产品


10毫米方形SMD编码器

  • 単位mm

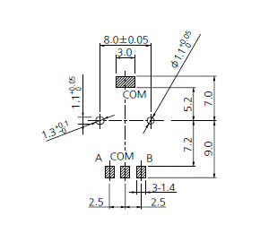
1.尺寸图


外形尺寸图

一般尺寸公差: ± 0.3
(  ) 尺寸为参考尺寸

形状尺寸
印刷电路板安装孔参考图
(部件安装一侧)

印刷电路板材料厚度 t = 1.6
公差: ±0.1

印刷电路板安装孔参考图
电路图
电路图
相位差
相位差
测定电路

返回页首

关联信息

电话问询
400-920-9200【手机OK】 受理时间 9:15 - 17:15(11:30-13:00、本公司休息日除外)

返回页首

电话咨询
控制机器产品技术支持

400-920-9200

【手机OK】

受理时间 9:00 - 17:00
(11:30-13:00、本公司休息日除外)